Designed for use with both road and mountain bikes, the Deda In-5 Int Alloy Headset delivers a secure hold between your fork and your bike’s head tube.
Engineered for a dependable hold, this headset features a durable aluminium top cover construction. This means you’ll benefit from its exceptional strength, without adding any unnecessary weight to your road or mountain bike. Providing a smooth rotatable interface on every ride, this stunning headset is also equipped with CrMo (chromoly) bearings for extra robustness as you take on every challenge.
Topfunktioner:
- Top Cover Material: Aluminium
- Bearing Material: CrMo
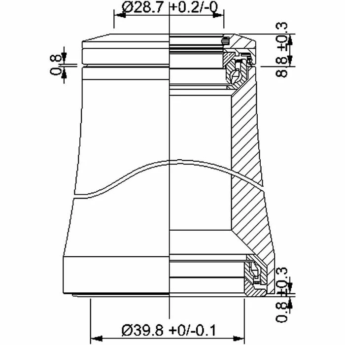
- Bearing Size: Lower: 51.9x40x8mm; Upper: 41.8×30.5x8mm
- Steerer Diameter: 1 1/8-1.5″ tapered
- Headset Type: Integrated
- Crown Race: 39.8mm
- Stack Height: 9.6mm
- Contact Angle: 45×45 degrees
- Part Number: DHS15A
- Weight: 76g (approx)














Anmeldelser
Der er endnu ikke nogle anmeldelser.